
产品类别
服务热线
150-6260-1505
Nachi不二越液压
- 你当前位置:
- 首页 >
- 产品中心 >
- Nachi不二越液压
节能变量液压泵站系列 变频器驱动液压系列 NSPi系列
通过更换传统液压站为变频驱动[NSPi]系列液压站轻松耗电量约降低69%
在紧凑机身中追加变频驱动,更加环保、安静
操作简单可放心运转, 接通电源后可立即启动
降低油温上升, 室温+1.5℃
低噪音, 令人惊异的53dB(A)
特点:
节能变量液压泵站系列 变频器驱动液压系列 NSPi系列
|
|
操作简单可放心运转
接通电源后可立即启动
变频器驱动型NSP液压泵站只需接通电源即可简单启动。
压力调节后只需用一个开关即可进行最佳节能运转。
不会使生产线停止
由于以可靠的NSP液压泵站为基础,所以,即使变频器发生故障NSP液压泵站也会正常的进行运转,而不会停止生产线。
节能效果
耗电量约降低69%(与本公司标准装置保持压力时的相比)不要
作为基础的NSP液压泵站与本公司标准液压泵站相比,耗电量约减少了40%的,而且追加变频器驱动后,实现了与本公司标准液压泵站相比耗电量减少高达约69%。
电费降低40%
与本公司标准液压泵站相比,NSP液压泵站降低约25%、变频器驱动NSP液压泵站降低约40%的电费。
一年减少约2t的CO2
变频器驱动型NSP液压泵站与本公司标准液压泵站相比CO2排放量减少约42%
相当于2公顷森林
电量費用、CO2減排量的计算条件
年工作时间 | 8000小时 | 电量单价 | 15日元/kWh |
保持压力 | 17小时/天 | CO2排出係数 | 0.555kgCO2/kWh |
排出压力 | 5小时/天 | ||
※CO2排出係数:2006年经济产业省环境省令第3号中規定的默认値
降低油温上升
室温+1.5℃
通过降低油温上升,不仅提高机械加工的精度,还为延长密封部品和液压油的使用寿命及降低工厂内空调费等系统整体做出了贡献。
提高机械加工精度
延长密封部品和液压的寿命
降低维护費用
大幅減少液压油量
低噪音
令人惊异的53dB(A)
通过变频器驱动不仅实现了节能还提高了舒适性。
(6MPa保持压力时 NSP-10E-22V1A4-20)
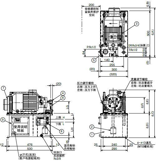
规格
安装尺寸
型号说明
液圧回路图
使用时的注意事项
■通过对主回路电源通电/断电(配线用断电器)已实现运转・停止,会使变频器的寿命显著下降,请保证通断电频率少于每小时一次。如需高频度运行・停止机器,请另行咨询。
■请不要对变频器的设定参数进行更改。
■液压站P口(吐出口)及外部油路块(或传动装置)之间,请使用内径1/2英寸、最高使用压力14MPa、长度2m以上的软管进行配管。
■请确保最大峰值压力(设定压+冲击压)在14MPa以内。另外,如果最大峰值压力超过15MPa,请在回路上追加冲击压截断用溢流阀。
■使用时请确保外部液压回路中的泄露量在1L/min以下。如外部液压回路的泄露量超过1L/min,请另行咨询。
■油箱内的油量变动,请在油位计的可视范围内使用(10L:约1.5L、20L:约4L)。
江苏省昆山市玉山镇华淞路10号
0512-5723-4959
150-6260-1505
chundong.yao@ketuowei-sz.com

微信联系人

手机站二维码




